Quartz 4
Search
Search
Dark mode
Light mode
Reader mode
Explorer
Home
❯
Year 2
❯
Analog Electronics
❯
High Pass Opamp
High Pass Opamp
Oct 30, 2025
1 min read
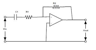
Formula:
A
v
=
−
R
1
(
1
+
ω
C
1
R
1
j
)
R
2
Cut-off when
ω
C
1
R
1
j
=
1
Diagram:
Graph View
Table of Contents
Formula:
Diagram:
Backlinks
Analog Electronics 2