Practical Questions:
Resistor Error %
General Formula:
Example
Abstract
Given you have calculated the Total CMRR of an Instrumental Amplifier to be , and you know you need of CMRR in your Output Stage, calculate the tolerance of the resistors in the output stage. Your Common Mode Voltage is , and your Differential Voltage is
Example
\begin{align} \text{We know that: }\\ Av*V_{diff} &\geq A_{cm}*V_{cm} \\ \text{Calculate tolerance at limit:}&\\ \frac{V_{cm}}{V_{diff}} = \frac{A_v}{A_{cm}} &\equiv A_v/(\frac{2\rho}{R}) \\ \frac{V_{cm}}{V_{diff}} &= \frac{RA_v}{2\rho} \\ \therefore \frac{V_{diff}}{V_{cm}} &= \frac{2\rho}{RA_v} \\ \frac{V_{diff}}{V_{cm}} &= \frac{2}{A_v} * \frac{\rho}{R} \\ \therefore \frac{\rho}{R} &= \frac{V_{diff}*A_v}{2*V_{cm}} \\ \text{Note: Gain(dB) =} & \text{ Total CMRR - O/P CMRR} = 80-34 = 46dB \\ \frac{\rho}{R} &= \frac{500*10^{-6}*(10^{\frac{(80-34)}{20}})}{2*5} \approx 0.01 \\ \therefore \text{ Tolerance \%} &= 100 * 0.01 = 1\% \\ \end{align}
Error Analysis
For , Where

Example:
Abstract
From previous questions you have deduced that your Error Budget is , assuming , In addition to this you have decided on find the best op amp from the following table:
Example
First let’s attempt to calculate our Resistor CMRR first to see if it is suitable, as this component is seperate from Op-Amp spec, and exponentially increases in price for precision: Resistor tolerance way too large! Try again with 0.1% This is a suitable error budget for our resistors. From earlier we can define our Figure of Merit as: From this we can write our FOM on the table provided looking for:
Understanding Bridges
A bridge is a form of “pre-circuit” where you want to take the differential voltage for a single source, and therefore need something to compare against,
Where R4 tends to be a Resistor that varies with some external factor (e.g. temperature)
The variable resistor is defined by , where is the factor that changes with the external factor:
Therefore from this .
If we allow at some level,
We can define .
From here, using the binomial expansion of
Limit on sensitivity = CMRR:
Abstract
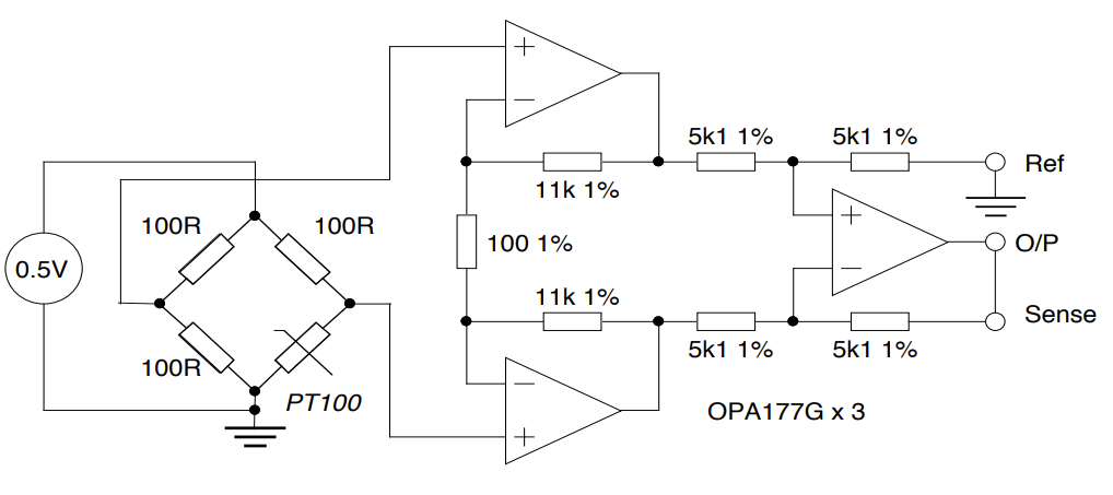
A bridge amplifier is to be constructed to signal condition the output from a platinum resistance thermometer. The platinum resistance thermometer has a resistance proportional to absolute temperature and has a resistance of 100Ω at 0°C. The resistance therefore varies by 0.366Ω / °C near 0°C. Design an instrumentation amplifier to condition the bridge output such that the error due to common-mode rejection is less than 0.05°C. What is the error due to voltage offset in your design?
Example
With the knowledge our PT is at , lets build our calculations around that. Let . Now we need to define the of the system. So what is limiting it? Well we know that we’re using a resistance thermometer, but resistors produce their own heat under higher power. So providing too much power through our resistors will ruin the accuracy of our Resistance Thermometer, so let us limit Power to , we know from our Power Rules that , so for this we would rearrange to so . So with this we can attempt to find , knowing that so let
We know our LHS of the bridge will be , And using . So our RHS will be (in Volts) So a sensitivity of creates a differential of . So and From here, as we haven’t been told a gain, we should choose the largest Practical gain, say an output of so . So this gives us an O/P CMRR of . Now as O/P CMRR = , we can say our tolerance is , so we can use 1% resistors for this purpose. So, with this in mind, for our 3 stage Instrumental Amplifier we can define as a sensible value, as the actual value doesn’t matter. We know our gain = so If we select to be , . and the tolerance of those doesnt matter, let it be 1%, and we know the tolerance of the output stage must be 1% for the resistors. So:, Where the op amp has been chosen to have a CMRR >>Total Circuit CMRR, i.e >>80dB
Book Knowledge
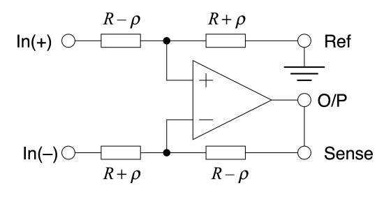
Understanding Common Mode Gain Derivation
Maximum Asymmetry:
This is the worst case for Common Mode Gain:

Where is the error in the resistor
Due to VEP we can set the voltages on both sides to be equal, therefore
Output = (Sense - Ref)
Symmetry:
Let
Then:
therefore:
Derive Gain for 3 Op Amp Instrumental Amp
With a differential:

Without a differential:

Different Power Sources:
Abstract
A microphone produces an output of 100mV peak and is input to a mixing desk The ground connection used by the microphone has a 50Hz (Mains) signal of 1V amplitude on it, relative to the ground used by the mixing desk.
Example
In this example, the added amplitude of the signal (1V) is 10 times larger than the differential peak. So if we had a CMRR of 10, our signal would be at most the same amplitude of the 50Hz noise So So say we wanted the microphone signal to be 1000 times larger than the 50Hz, we need a CMRR of 10000 (80dB), and if we want a 10V output from this, we would need So: So our O/P CMRR will be So our O/P resistor tolerance shall be so the tolerance % is Given , and let
Pros & Cons:
Difference amplifier has problems
- Sensitivity to source impedance
- CMRR defined by (expensive) resistor tolerance
Classical 3-opamp instrumentation amplifier solves them:
- Infinite input impedance
- CMRR increased by input stage differential gain CMRR of 3-opamp instrumentation amp and gain are linked


With the knowledge our PT is
,
Where the op amp has been chosen to have a CMRR >>Total Circuit CMRR, i.e >>80dB
