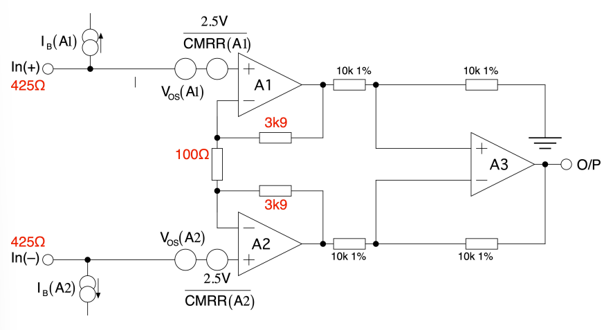
Electronic System Design 3 As our CMRR is defined as:
And simply getting higher “precision” resistors is quite expensive, we attempt to achieve higher CMRR using our differential gain, and then using better resistors if needed. We load the gain into the first stage
Note:
for a 1% for example is for 0.5%
Total error for an instrum amp =

Assuming for a total accepted error of 0.0175 Gauss and Therefore Error (RTI) = Gain = 80 So with an error budget of We first calculate the Resistor CMRR as this is the most expensive
WAY TOO LARGE! Lets say we have 0.1%, expensive, but the best we can practically get
Which is workable
Our usable Error Budget is now So we can create a figure of merit equal to our error